提供“華洋”品牌機床附件系列產品詳細資料


【產品型號】HY8310.3
【執行標準】JB/T 7270.3-2014
【產品材質】鋼
【表面處理】噴砂或鍍亮鉻
【產品品牌】華洋
【產品產地】浙江寧波
【生產廠家】象山華洋機床附件廠
【詢價熱線】86-574-65010069
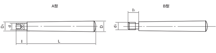
結構圖

參數尺寸
| 產品編號 | 主要尺寸(mm) | |||||||
| Type A | Type B | L | D | D? | d | d? | l | l? |
| HY8310.3\A5x50xl | HY8310.3\BM5x50 | 50 | 8 | 6 | 5 | M5 | 6、8、10 | 10 |
| HY8310.3\A6x63xl | HY8310.3\BM6x63 | 63 | 10 | 8 | 6 | M6 | 8、10、12 | 12 |
| HY8310.3\A8x80xl | HY8310.3\BM8x80 | 80 | 13 | 10 | 8 | M8 | 10、12、16 | 14 |
| HY8310.3\A10x100xl | HY8310.3\BM10x100 | 100 | 16 | 12 | 10 | M10 | 12、16、20 | 16 |
| HY8310.3\A12x125xl | HY8310.3\BM12x125 | 125 | 20 | 16 | 12 | M12 | 16、20、22 | 18 |
| HY8310.3\A16x160xl | HY8310.3\BM16x160 | 160 | 25 | 20 | 16 | M16 | 20、22、25 | 20 |
| HY8310.3\A20x200xl | HY8310.3\BM20x200 | 200 | 32 | 25 | 20 | M20 | 25、32、40 | 25 |
技術信息
| 名稱 | 材料 | 表面處理 |
| 手柄 | 鋼 | 噴砂或鍍亮鉻 |
※ 裝配類型:手柄安裝部位 A型為無螺紋,B型為帶螺紋;
※ 特殊要求說明:螺紋大小和手柄長度可按客戶提供的圖紙加工定制。
抱歉,該型號暫無3D模型!