提供“華洋”品牌機床附件系列產品詳細資料


【產品型號】HY8313.13
【產品材質】(手輪)鋁合金、(手柄)塑
【表面處理】噴砂/鍍鉻/黑色噴塑
【產品品牌】華洋
【產品產地】浙江寧波
【生產廠家】象山華洋機床附件廠
【詢價熱線】86-574-65010069
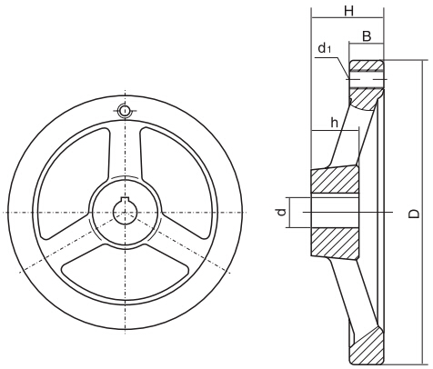
結構圖

參數尺寸
| 產品編號 | 主要尺寸(mm) | 安裝孔 | |||||
| Type A | Type B | D | H | B | d | h | d? |
| HY8313.13\A10x100 | HY8313.13\B10x100 | 100 | 30 | 14 | 10 | 16 | M6 |
| HY8313.13\A12x125 | HY8313.13\B12x125 | 125 | 34 | 16 | 12 | 18 | M8 |
| HY8313.13\A16x160 | HY8313.13\B16x160 | 160 | 38 | 18 | 16 | 25 | M10 |
| HY8313.13\A16x203 | HY8313.13\B16x203 | 203 | 40 | 23 | 16 | 27 | M10 |
| HY8313.13\A18x250 | HY8313.13\B18x250 | 250 | 48 | 28 | 18 | 35 | M10 |
| HY8313.13\A20x320 | HY8313.13\B20x320 | 320 | 55 | 23 | 20 | 32 | M12 |
技術信息
| 名稱 | 材料 | 表面處理 |
| 手輪 | 鋁合金 | 噴砂/鍍鉻/黑色噴塑 |
| 手柄 | 塑 | 噴砂/鍍鉻/黑色噴塑 |
※ 裝配類型:A型無螺孔手柄;B型有螺孔手柄。鍵槽按GB1095-79規定,主要應用于平面磨床。
※ 特殊要求說明:中心孔大小,鍵槽大小及手輪表面處理可按客戶要求加工定制。
| 產品概述: | 三幅條手輪HY8313.13是一款優秀的高品質的三幅條方邊的鋁合金手輪,其不僅提升了機械操作的效率,還確保了耐用性與美觀性的完美結合。 | |
| 產品特點: | ◆ | A型 鋁合金 黑色噴塑或鍍暗鉻,無手柄孔; |
| ◆ | B型 鋁合金 黑色噴塑或鍍暗鉻,有手柄孔; | |
| 安裝方式: | 鍵槽孔型 | |
抱歉,該型號暫無3D模型!