提供“華洋”品牌機床附件系列產品詳細資料

【產品型號】HY8313.25
【產品材質】(手輪)鑄鐵、(手柄)鋼
【表面處理】噴砂或鍍亮鉻
【產品品牌】華洋
【產品產地】浙江寧波
【生產廠家】象山華洋機床附件廠
【詢價熱線】86-574-65010069
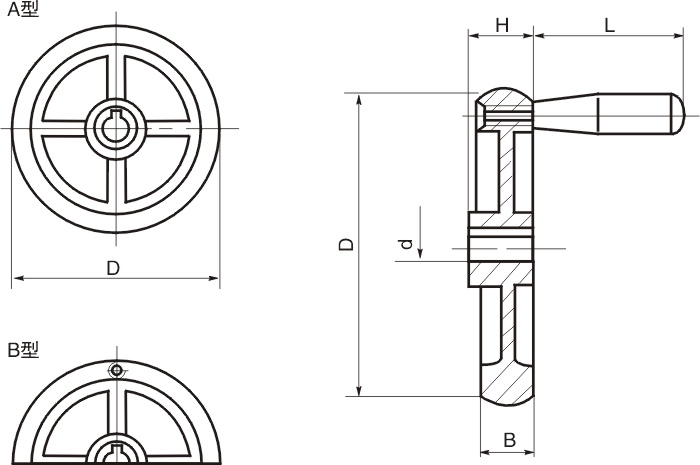
結構圖

參數尺寸
| 產品編號 | 主要尺寸(mm) | 安裝孔 | ||||
| Type A | Type B | D | B | L | d | H |
| HY8313.25\ A10x100 | HY8313.25\ B10x100 | 100 | 17.5 | 50 | 10 | 28.6 |
| HY8313.25\ A12x125 | HY8313.25\ B12x125 | 125 | 18 | 63 | 12 | 30 |
| HY8313.25\ A16x152 | HY8313.25\ B16x152 | 152 | 19 | 80 | 16 | 32 |
| HY8313.25\ A18x203 | HY8313.25\ B18x203 | 203 | 20 | 80 | 18 | 35 |
| HY8313.25\ A18x254 | HY8313.25\ B18x254 | 254 | 25.4 | 80 | 18 | 57 |
技術信息
| 名稱 | 材料 | 表面處理 |
| 手輪 | 鑄鐵 | 噴砂或鍍亮鉻 |
| 手柄 | 鋼 |
※ 注:鍵槽按 GB1095-79 規定。
| 產品概述: | 直幅手輪HY8313.25具有四根幅條的平面圓輪緣邊的鑄鐵手輪,高品質的鍍鉻處理,使其厚重而不失美觀,牢固而不失精準。 | |
| 產品特點: | ◆ | A型 HT200 鍍亮鉻或鍍暗鉻,無手柄孔; |
| ◆ | B型 HT200 鍍亮鉻或鍍暗鉻,有手柄孔(螺紋孔); | |
| ◆ | 需要手柄得另配,可搭配固定手柄、曲面手柄、轉動手柄或可折手柄。 | |
| 安裝方式: | 鍵槽孔型 | |
抱歉,該型號暫無3D模型!