| Product Name: | Oil Level Indicators |
| Model Number: | HY8316.4 |
| Brand Name: | Huayang |
| Executive Standard: | |
| Material: | Plastic、zinc alloy |
| Surfaced Process: | |
| Place of Origin: | Zhejiang, China (Mainland) |
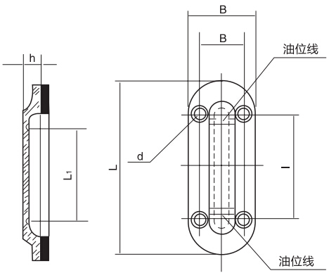
Drawing

Parameter Size
| Item No. | Main dimensions | ||||||
| Plastic、Zinc alloy | B | L | h | I | b | d | L? |
| HY8316.4\29.5x66 | 29.5 | 66 | 7 | 26 | 22 | 3.5 | 30 |
| HY8316.4\31x97 | 31 | 97 | 7 | 45 | 22.5 | 3.5 | 63 |